1.1.1應能滿足客車密閉式廁所污物的抽吸、收集、輸送功能。
1.1.2設備吸污作業要求滿足檢修、整備停時要求。
1.1.3各部分應密封嚴密,無堵塞,無漏氣、漏油、漏水和泄漏污物現象。不存在惡臭或其它有害物質。
1.1.4應設有監控和報警自動控制系統以顯示和控制工作狀態。
1.1.5抽吸單元設備應具有快速吸污與收放功能。必要時,配備保溫和照明裝置。
1.1.6真空站易損設備應有備用能力,其最小額定能力應保證其中一臺設備故障檢修時仍有維持系統真空的能力。
1.1.7真空站主體設備應運行可靠,便于維護。
1.1.8真空站主體設備使用年限15年,吸污主管使用年限30年。
1.1.9必要時,應考慮備有移動式吸污設備。
真空吸污系統工作原理
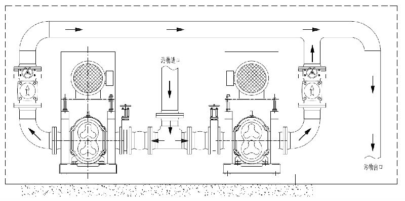
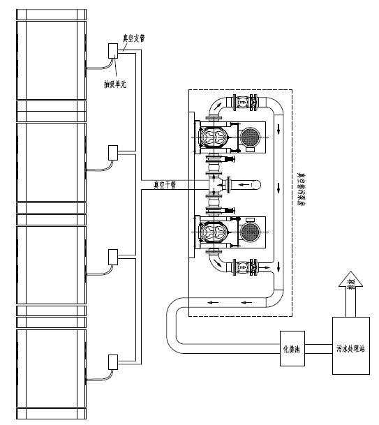
2.3.1真空吸污系統由真空機組、真空管路、抽吸單元、信息監控設備組成。系統的主要功能是通過在線型機組在管道中產生真空,對列車集便器污物進行抽吸和排放。在作業過程中,無污物泄漏、無異味、無堵塞、作業效率高,設備可全自動控制、運行可靠、操作維修方便、能耗低、使用壽命長、適用范圍廣。
系統及各組成部分的功能見下表。
序號 | 項 目 | 功 能 |
1 | 真空機組 | 用來產生真空并維持系統真空度,具有排送污物、自動控制及指示功能 |
2 | 抽吸單元 | 與集便器污物箱連接,將集便器污物抽吸到真空管路的設備單元 |
3 | 真空管路 | 保持密閉狀態,輸送與排放污物 |
4 | 信息監控設備 | 對真空機組在線監測,運行狀態跟蹤,設備故障實時報警、設備性能動態管理 |



推薦產品:真空系統